Изготовление коллектора и щеткодержателя
При сборке динамо-машины, в частности коллектора и щеткодержателей, требуется внимание и аккуратность
| Коллектор можно изготовить из трубки (медь, латунь) или собрать из пластин. Потребуется трубка диаметром 20-25 мм и длиной 25—30 мм, которая распиливается на 4 равные части. В пластинах просверливаются по два двухмиллиметровых отверстия.
Затем вырезаем цилиндр (диаметр 20-25 мм, длина 25 мм) из фибры или эбонита, подойдет и сухое дерево. В центре цилиндра делаем отверстие, чтобы он плотно мог войти на ось якоря. Пластинки крепим к цилиндру с помощью мелких шурупов, каждый раз оставляя между ними пространство в 1-2 мм. Можно использовать скрутки из проволоки и изоляционную ленту. Шурупы не должны касаться оси, иначе будет замыкание. Зазоры между пластинами заполняем канифолью. |
| Щеткодержатель со щетками применяется для снятия напряжения в коллекторе. Щетки должны выдвигаться и поворачиваться вокруг оси якоря, чтобы менять силу и угол нажима на коллектор. Основание толщиной 10 мм изготовим из фибры, эбонита или пропарафиненного дерева. Просверлим в нем три отверстия, чтобы для двух крайних подошли болты. Берем болты из меди или радиоконтакты по 35 мм. Болтики, закрепляющие щетки, вкручиваем с гайками для зажима.
Отверстие в центре должно быть равно диаметру трубки из меди, которая использовалась для первого подшипника в корпусе. Напротив центрального отверстия в торце колодки просверливаем сквозное отверстие и делаем нарезку под крепящий винт. Берем винт (для дерева – шуруп) с прорезью или гранями на головке. Делаем отверстие чуть меньше диаметра винта, вворачиваем винт. Сначала на 2-3 оборота ввернуть, потом вывернуть, повторяя до тех пор, пока он не будет свободно входить на три оборота. Затем точно также винтом обрабатываем следующий проход. Делаем подшипниковую стойку, в верхнем конце которой просверливаем отверстие, вставляем отрезок медной трубки и припаиваем. Щетки можно сделать разными способами, из медных, латунных пластин или приготовить угольные щетки. Это могут быть пластины длиной 40-50 мм с сечением 10-15 мм. На конце щетки просверливаем продолговатое сквозное отверстие длиной 20 мм под болтики. Такое отверстие позволит менять нажим, приближая щетки к коллектору. Крепим щетки шайбами. Чтобы щетки плотно касались коллектора, затачиваем их концы наискось. |
Водитель какого транспортного средства проедет перекресток вторым?
Правильно
16. Проезд перекрестков
16.11. На перекрестке неравнозначных дорог водитель транспортного средства, движущегося по второстепенной дороге, должен уступить дорогу транспортным средствам, приближающимся к данному перекрестку проезжих частей по главной дороге, независимо от направления их дальнейшего движения.
16.14. Если главная дорога на перекрестке изменяет направление, водители транспортных средств, движущихся по ней, должны руководствоваться между собой правилами проезда перекрестков равнозначных дорог.
Этим правилом должны руководствоваться между собой и водители, движущиеся по второстепенным дорогам.
Неправильно
16. Проезд перекрестков
16.11. На перекрестке неравнозначных дорог водитель транспортного средства, движущегося по второстепенной дороге, должен уступить дорогу транспортным средствам, приближающимся к данному перекрестку проезжих частей по главной дороге, независимо от направления их дальнейшего движения.
16.14. Если главная дорога на перекрестке изменяет направление, водители транспортных средств, движущихся по ней, должны руководствоваться между собой правилами проезда перекрестков равнозначных дорог.
Этим правилом должны руководствоваться между собой и водители, движущиеся по второстепенным дорогам.
16 Проезд перекрестков
Неправильно
8. Регулирование дорожного движения
8.7.3. Сигналы светофора имеют следующие значения:
Сигнал в виде стрелки, разрешающий поворот налево, разрешает и разворот, если он не запрещен дорожными знаками.
Сигнал в виде зеленой стрелки (стрелок) в дополнительной (дополнительных) секции (секциях), включенный вместе с зеленым сигналом светофора, информирует водителя о том, что он имеет преимущество в указанном стрелкой (стрелками) направлении (направлениях) движения перед транспортными средствами, движущимися с других направлений;
е) красный сигнал, в том числе мигающий, или два красных мигающих сигнала запрещают движение.
Сигнал в виде зеленой стрелки (стрелок) в дополнительной (дополнительных) секции (секциях) вместе с желтым или красным сигналом светофора информирует водителя о том, что движение разрешается в указанном направлении при условии беспрепятственного пропуска транспортных средств, движущихся с других направлений.
Стрелка зеленого цвета на табличке, установленной на уровне красного сигнала светофора с вертикальным расположением сигналов, разрешает движение в указанном направлении при включенном красном сигнале светофора с крайней правой полосы движения (или крайней левой полосы движения на дорогах с односторонним движением) при условии предоставления преимущества в движении другим его участникам, движущимся с других направлений на сигнал светофора, разрешающий движение;
16 Проезд перекрестков
16.9. Во время движения в направлении стрелки, включенной в дополнительной секции одновременно с желтым или красным сигналом светофора, водитель должен уступить дорогу транспортным средствам, движущимся с других направлений.
Во время движения в направлении стрелки зеленого цвета на таблице, установленной на уровне красного сигнала светофора с вертикальным расположением сигналов, водитель должен занять крайнюю правую (левую) полосу движения и уступить дорогу транспортным средствам и пешеходам, движущимся с других направлений.
Пример использования в туризме зарядных устройств
Можно использовать для зарядки навигатора, телефона и фотокамеры много разных устройств. Ручные динамо-машины, солнечные батареи, PowerBank-и и динамо-втулки для велосипедов.
Последнее самое эффективное, но обо всем по порядку.
Ручные динамо-машины отпадают сразу, слишком много времени уходит на бесцельное верчение.
Если бы оно еще было беззвучным, то можно было бы совмещать с созерцанием на природу, слушаньем ручья, птиц, шелеста ветра. Но жужжание перебивает все окружающие звуки, и это морально очень утомляет.
Солнечная батарея достаточно хороша, но она идет в комплекте с PowerBank-ом, это первый минус. Второй, — она достаточно хрупкая, и её нужно размещать на самом верху сумки.
В велотуризме это не всегда идеальное место.
К сожалению, совсем исключить падения велосипеда невозможно, а первое же неудачное падение обязательно повредит солнечную батарею. Что собственно и происходит в велотуризме.
А маленькие, компактные PowerBank-и с солнечной панелью неэффективны, слишком мало можно получить электричества. Да и в пасмурный день КПД такого устройства падает.
Динамо-втулка для велосипедов тоже, к сожалению, не идеальное устройство. У нее есть один маленький недостаток. Примерно от 3 до 5 % энергии кручения уходит на создание электричества.
Если ехать по прямой дороге, или спускаться, то это не имеет значения. А если подниматься в затяжную горку, это может быть неприятным занятием.
Но есть простое и эффективное решение. На время преодоления холма или крутого подъема, временно отключать динамо-втулку.
Работая вхолостую, она не создает дополнительного сопротивления, но для велосипедиста эти 5% позволяют более комфортно преодолеть подъем.
Заряжая гаджеты таким образом, Вы не берёте с собой дополнительный балласт, втулка на колесе продолжает выполнять свою основную функцию, плюс еще и выполняет роль генератора энергии.

Рейтинг гибридных велосипедов
1) Самые качественные велосипеды будут от Cube. Эта фирма уже давно зарекомендовала себя как одна из лучших.
2) Чуть хуже по качеству, но и дешевле – “Мерида”. Тоже хорошая компания по производству байков, но уступает предыдущей.
Более всех распространены так называемые МТБ-гибриды. Это те, которые с рамой от горного велосипеда. Благодаря его крупным колесам и жесткой раме вы сможете позволить себе прогулки как по городу, так и по природе.

Есть еще так называемые шоссейные гибриды. На самом деле это лишняя модель, и вот почему. Немногочисленные его отличия от обычного шоссейника – это чуть большая толщина покрышек, другой вид тормозов и прямой руль. В чем его преимущество по сравнению с обычным, стандартным “папой”, не знает никто. Видимо, это просто такой очередной маркетинговый ход.
В каком порядке проедут перекресток транспортные средства?
Правильно
16. Проезд перекрестков
Неправильно
16. Проезд перекрестков
16.11. На перекрестке неравнозначных дорог водитель транспортного средства, движущегося по второстепенной дороге, должен уступить дорогу транспортным средствам, приближающимся к данному перекрестку проезжих частей по главной дороге, независимо от направления их дальнейшего движения.
16.12. На перекрестке равнозначных дорог водитель нерельсового транспортного средства обязан уступить дорогу транспортным средствам, которые приближаются справа.Этим правилом должны руководствоваться между собой и водители трамваев. На любом нерегулируемом перекрестке трамвай, независимо от направления его дальнейшего движения, имеет преимущество перед нерельсовыми транспортными средствами, приближающимися к нему по равнозначной дороге.
16.14. Если главная дорога на перекрестке изменяет направление, водители транспортных средств, движущихся по ней, должны руководствоваться между собой правилами проезда перекрестков равнозначных дорог. Этим правилом должны руководствоваться между собой и водители, движущиеся по второстепенным дорогам.
Установка педали велосипеда
Перед тем как устанавливать новую педаль, резьбу оси следует очистить от грязи, протерев чистой тряпкой, а также смазать смазкой. Благодаря таким нехитрым действиям педали смогут плавно стать на место, а их последующее снятие пройдет без особых проблем.
Процесс установки педали:
- Берем правую педаль и устанавливаем на место, закручивая ее по часовой стрелке. Для начала лучше закручивать руками. Так вы минимизируете риск повреждения резьбы в случае, если педаль встанет не ровно.
- Берем ключ и сильно затягиваем педаль.
- Устанавливаем левую педаль, закручивая ее против часовой стрелки.
- Для того чтобы в процессе езды педали самопроизвольно не откручивались, оба узла нужно хорошо протянуть ключом.
Процесс замены педали велосипеда завершен. Приятных вам поездок!
Если у вас остались вопросы, ознакомьтесь с данным видео-обзором. Он поможет вам лучше понять процесс замены педалей и не допустить ошибок.
Динамо машина (Велогенератор). Виды и особенности. Работа

Генератором электрической энергии называется устройство, преобразующее химическую, механическую или тепловую энергию в электрический ток. Таким генератором, использующимся на велосипедах для питания задних фонарей и передней фары, является динамо-машина.
Недостатки
- Сложная настройка. Требуется тщательная настройка и регулировка соприкосновения с покрышкой колеса под определенным углом, давлением в шине, высотой. Если велосипед упадет, либо ослабнут фиксирующие винты, генератор может быть поврежден. Неправильно отрегулированное устройство генератора будет издавать много шума, создавать чрезмерное сопротивление, проскальзывать по колесу. Если винты крепления слишком ослабнут, то механизм может сдвинуться с места и попасть в спицы колеса, что приведет к поломке спиц и выходу колеса велосипеда из строя. Некоторые велогенераторы оснащены специальными петлями, предохраняющими их попадание в спицы.
- Для переключения требуется физическое усилие. Чтобы привести в действие генератор, необходимо переместить его корпус до соприкосновения с колесом. Втулочные генераторы могут включаться автоматически или с помощью электроники. Для этого не нужно прикладывать усилия.
- Повышенный шум. При эксплуатации слышен шум в виде жужжания, в то время как динамо-втулки не создают шума.
- Износ шины колеса. Для эксплуатации генератора требуется соприкосновение с шиной, в результате происходит трение и износ покрышки. Если сравнить с динамо-втулкой, то там трение с покрышкой отсутствует.
- Сопротивление движению. Бутылочная динамо-машина оказывает значительно больше сопротивление движению велосипеда, чем втулочная модель. Однако при правильной настройке сопротивление незначительное, а в отключенном виде отсутствует.
- Проскальзывание. При сырой дождливой погоде приводной ролик бутылочного генератора будет скользить по шине колеса, что уменьшает выработку электрического тока и снижает яркость света фары и заднего фонаря. Втулочные генераторы не требуют для работы хорошего сцепления с покрышкой, и не зависят от погоды и других неблагоприятных условий.
Динамо-втулка
Втулочная конструкция велогенератора разработана в Англии, а производится различными фирмами во многих странах. Мощность такой конструкции может достигать 3 ватт при напряжении 6 вольт.
Технологии их изготовления постоянно совершенствуются, размеры конструкции становятся меньше и мощнее.
Современные фары для велосипеда стали излучать более эффективный свет, так как применяются светодиоды и галогенные лампы.
Они функционируют за счет магнита, имеющего множество полюсов, и выполненного в виде кольца. Он находится в корпусе втулки и вращается вокруг неподвижного якоря с катушкой, зафиксированной на оси.
Сопротивление вращению такой конструкции очень незначительное.
Динамо-втулки вырабатывают переменный ток. На малых скоростях вырабатывается больше электричества, по сравнению с бутылочной моделью, за счет низкой частоты тока. Существуют схемы выпрямителей для динамо-машины. Они выполнены по простой схеме моста из четырех диодов.
Динамо-машина втулка вырабатывает низкое напряжение, поэтому при применении кремниевых диодов потери составляют значительную величину – 1,4 вольта. С германиевыми диодами потери снижаются, и составляют всего 0,4 вольта.
Принцип работы динамо-машины
Динамо-машина вырабатывает электрический ток с помощью эффекта электромагнитной индукции. Ротор вращается в магнитном поле, в результате чего в обмотке возникает электрический ток. Концы обмотки ротора подключены к коллектору, выполненному в виде колец. Через них с помощью прижимающихся щеток электрический ток поступает в сеть.
Ток в обмотке имеет максимальное значение, если ротор находится перпендикулярно по отношению к магнитным линиям. Чем больше угол поворота обмотки, тем ток меньше. Вращение обмотки в магнитном поле изменяет направление тока за один оборот два раза. Поэтому ток называют переменным.
Подобный генератор для постоянного тока изготавливается на этом же принципе. Разница в некоторых деталях. Концы обмотки соединяют не с кольцами, а с полукольцами, которые изолированы друг от друга. При вращении обмотки щетка контактирует поочередно с каждым полукольцом. Поэтому ток, поступающий на щетки, будет иметь только одно направление и будет постоянным.
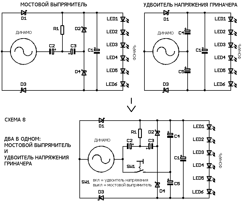
Схемы с большой мощностью и хорошей производительностью на низкой скорости.
Схема 8 — добавляем удвоитель напряжения.
Схема 7, использующая много светодиодов, на низкой скорости выдаёт маленькую мощность, что видно на кривых мощности выше. Существует несколько способов решения данной проблемы:
- Шунтировать несколько светодиодов, подключить конденсаторы и таким образом изменить схему с включением меньшего количества светодиодов, что улучшит её на низкой скорости.
- Параллельная сборка скажем 6-ти светодиодной и 3-х светодиодной версий. Переключателем подбираем более подходящую. 6-ти светодиодная версия может давать узкий пучок дальнего света, 3-светодиодная — широкий пучок на низкой скорости.
- Подключение мостового выпрямителя к удвоителю напряжения. Такая схема будет работать так, если бы она имела только половину светодиодов.
Первое решение нуждается в сложном переключении и неработоспособно при отключении хоть одного светодиода. Второе решение лучше первого, несложно в построении, но требует дополнительных светодиодов и оптики. Третье решение недорогое и простое, независимо от режима работают все светодиоды. Его и будем рассматривать далее.
Немного изменённая схема 7. Справа удвоитель напряжения Гриначера. Ниже представлена схема 8, включающая обе схемы. Два режима чередуем обычным переключателем.

Эта схема (без R1, C2, C3) пользуется популярностью в компьютерных блоках питания. Основное её предназначение — выбор режима 115/230 В.
Режимы не перекрывают друг друга и следовательно гарантируют хорошую производительность на низкой скорости. Схема 7 обоснована! Далее приведён список компонентов для различных конфигураций схемы 8.
| Бутылочная динамо-машина | Динамо-втулка | ||||
|---|---|---|---|---|---|
| 3 светодиода | 4 светодиода | 3 светодиода | 4 светодиода | 6 светодиодов | |
| Общая мощность | 4.6 W | 5.7 W | 5.2 W | 6.7 W | 10.5 W |
| D1..D4 | 1N5818 | 1N5818 | 1N5818 | 1N5818 | 1N5818 |
| C1 | 2200uF 16V | 2200uF 16V | 4700uF 16V | 4700uF 16V | 2200uF 25V |
| C2, C3 | 100uF 100V | 47uF 100V | 1000uF 63V | 470uF 100V | 220uF 100V |
| C4, C5 | 100uF 63V | 47uF 63V | 470uF 35V | 470uF 35V | 220uF 63V |
| R1 | 47K 0.25W | 47K 0.25W | 47K 0.25W | 47K 0.25W | 47K 0.25W |
| SW1 | 120VAC 2A | 120VAC 2A | 120VAC 2A | 120VAC 2A | 120VAC 2A |
| LED1 | Мощный LED | Мощный LED | Мощный LED | Мощный LED | Мощный LED |
| LED2 | Мощный LED | Мощный LED | Мощный LED | Мощный LED | Мощный LED |
| LED3 | Мощный LED | Мощный LED | Мощный LED | Мощный LED | Мощный LED |
| LED4 | Не нужен | Мощный LED | Не нужен | Мощный LED | Мощный LED |
| LED5 | Не нужен | Не нужен | Не нужен | Не нужен | Мощный LED |
| LED6 | Не нужен | Не нужен | Не нужен | Не нужен | Мощный LED |
Рассмотрим кривые производительности. Нижняя кривая каждого цвета показывает мощность светодиодов в режиме удвоителя напряжения
Обратите внимание, что этот режим работает лучше только на низкой скорости, а выше определённой скорости выигрывает режим мостового выпрямителя. Второй график показывает момент, когда необходимо переключаться на другой режим


Давайте рассмотрим ещё один интересный вариант схемы 8:
Схема 9 — вариант схемы 8.

Схема выше имеет практически такую же мощность и почти те же самые компоненты что и схема 8. Главное отличие в переключателе: он не только выбирает режим низкой скорости (удвоитель) и режим высокой скорости (мостовой выпрямитель), но имеет положение ВЫКЛЮЧЕНО, которое используется при подаче питания от динамо-втулки. SW1 — это переключатель 1P2T с изолированным центральным положением. Эти переключатели широко доступны.
Другая особенность схемы 9 — задний фонарь. В отличие от схемы 8 светодиод 1 красный.
Схема 10 — ещё один вариант схемы 8.

| Бутылочная динамо-машина | Динамо-втулка | ||||
|---|---|---|---|---|---|
| 3 светодиода | 4 светодиода | 3 светодиода | 4 светодиода | 6 светодиодов | |
| Общая мощность | 4.6 W | 5.7 W | 5.2 W | 6.7 W | 10.5 W |
| D1..D4 | 1N5818 | 1N5818 | 1N5818 | 1N5818 | 1N5818 |
| C1 | 2200uF 16V | 2200uF 16V | 4700uF 16V | 4700uF 16V | 2200uF 25V |
| C2, C3 | 100uF 100V | 47uF 100V | 1000uF 63V | 470uF 100V | 220uF 100V |
| R1 | 47K 0.25W | 47K 0.25W | 47K 0.25W | 47K 0.25W | 47K 0.25W |
| SW1 | 120VAC 2A | 120VAC 2A | 120VAC 2A | 120VAC 2A | 120VAC 2A |
| LED1 | Мощный LED | Мощный LED | Мощный LED | Мощный LED | Мощный LED |
| LED2 | Мощный LED | Мощный LED | Мощный LED | Мощный LED | Мощный LED |
| LED3 | Мощный LED | Мощный LED | Мощный LED | Мощный LED | Мощный LED |
| LED4 | Не нужен | Мощный LED | Не нужен | Мощный LED | Мощный LED |
| LED5 | Не нужен | Не нужен | Не нужен | Не нужен | Мощный LED |
| LED6 | Не нужен | Не нужен | Не нужен | Не нужен | Мощный LED |
В схеме 10 исключены два из четырёх конденсаторов, но вместо них добавлены сложные переключатели. Теперь не нужны большие конденсаторы в компактной схеме. Как и в схеме 9 для выключения света может использоваться переключатель с изолированной центральной позицией.
Схема 11 — учетверитель напряжения.
Если вы хотите серьёзно взяться за концепцию умножения напряжения, посмотрите мой черновик комбинированного удвоителя/учетверителя/мостового выпрямителя.

Установка динамо втулки
При установке бутылочного генератора трудностей не возникает, а вот втулка генератор для велосипеда, заставит вас поработать.
Прежде всего, поскольку сама конструкция такого генератора предусматривает установку в качестве несущей втулки, колесо придется снять и полностью разобрать. Предварительно позаботьтесь о комплекте укороченных спиц. После полной разборки, укрепите короткими спицами обод на втулке. Старайтесь ровно и равномерно установить, постепенно натягивая спицы, а после, подтягивая, укрепить обод окончательно. Затем необходимо сделать балансировку и проверить на биение и дисбаланс.
Во-первых это готовый генератор переменного тока, который предназначен для работы в качестве втулки велосипедного колеса, вырабатывающей электроэнергию для фары, а это означает что он тихоходен, так-как колесо велосипеда при езде крутится максимум до 300бо/м. На номинальную мощность динамо-втулка выходит при скорости около 15км/ч, а начинает давать ток практически с нулевых оборотов 5-7км/ч.
Особенность этого генератора в том, что здесь вращается не вал (ротор), а корпус (статор), но в этом есть даже некоторые преимущества, так- как крепить можно одним болтом за вал, а лопасти прямо на корпус. Так-же вес динамо-втулки всего порядка 400гр.
Изначально динамо-втулка выдает переменное напряжение, но для зарядки аккумуляторов нужно постоянное напряжение, поэтому можно даже без применения паяльника собрать диодный мост, он выпрямляет напряжение.
Покрутив динамо-втулку я удивился на сколько большое напряжение она может давать, при номинальных 6вольт оказывается ее от руки легко можно раскрутить до 30-ти вольт, а это значит что ей можно заряжать не только два-три пальчиковых аккумулятора, но и АКБ 12вольт, и даже 24 вольта, что мною было проверено на практике. А вот сила тока максимальная 520мА. , после этого порога конкретно в моей динамо-втулке срабатывает внутренняя защита и питание отключается до тех пор пока сила тока не упадет. Это вероятно сделано для того чтобы не перегорала лампочка в фаре на больших скоростях движения велосипеда. На фото таблица прокрутки динамо-втулки на различных оборотах.
>
Кстати, не бойтесь заряжать от этой динамки аккумуляторы, большое напряжение им не повредит, они его выровняют до своего. Например если крутить динамку хоть до 30-ти вольт и подсоединить АКБ 12вольт, то напряжение сразу упадет до 12-ти вольт и будет постепенно расти по мере зарядки до 13вольт, по достижению 14вольт аккумулятор следует отключить, чтобы не пере зарядить, это вредно, хотя у генератора слабый ток, но все-же.
Динамо-втулка это однофазный генератор на постоянных магнитах, из-за того что он однофазный у него есть существенные минусы, такие как большое залипание, которое не дает маленьким винтам стартовать на малом ветру, и гудение и вибрации по мачте во время работы. Поэтому я к этому генератору делал большой винт, диаметром 1.6м. А мачту я сначало поставил к своему дачному домику, но вибрации от генератора предавались по мачте и отдавали гудением в домике, будто рядом где-то машина едет, и я перенес мачту от домика по дальше. Эта вибрация присуща всем однофазникам на постоянных магнитах, таких как шаговые и втулки динамо и подобные, и это самый существенный минус для меня, а вот к примеру трехфазные генераторы лишены этого недостатка, поэтому в будущем я делал именно их.
>
На фото я примерно нарисовал основные части ветрогенератора и способ крепления генератора, этот рисунок с моего другого сайта (Отшельники, жизнь в глуши). Ветрогенератор собирал как походный, чтобы можно было легко транспортировать в рюкзаке и легко установить на стоянке, и заряжать все что нужно. На фото виден провод от ветряка, потом преобразователь (диодный мост, чтобы напряжение выпрямить), контроллер, который я сделал из зарядника от телефона, но им так и не пользовался, а заряжал аккумуляторы просто контролируя время от времени напряжение мультиметром.
Вывод, динамо втулка хороший генератор для микро ветряка, и не только, так-же из нее получится хорошая ручная зарядка для маленьких акб и телефона. Так-же легкая и удобная, мне по крайней мере не было жаль потраченных на нее денег, и плюс к тому начальный опыт по построению ветряков.
Динамо втулка – конструкция

Такой вид электрогенератора становится все более популярным. Динамо втулка обладаем своими принципами работы. Также в установке есть особенности, которые желательно учитывать во избежание последующих проблем.
Принцип работы
Если бутылочная динамка подает постоянный ток, то втулка вырабатывает переменное напряжение, у которого не существует полярности. Такое обстоятельство для светодиодной фары приносит проблему. Работать она будет лишь с помощью выпрямительного моста.
Присутствие данного устройства будет обязательным для всех деталей, которые рассчитаны изначально на запитку от источника постоянного тока.
Работа втулки происходит по принципу закона электромагнитной индукции. Эта деталь имеет многополюсной магнит, напоминающий кольцо. Он закреплен в корпусе динамки. Вращается вокруг катушки – так называемого якоря, неподвижность которого обеспечивает соединение с осью.
Особенности установки
Деталь устанавливают на вилку переднего колеса таким образом, чтобы контактный разъем оказался с правой стороны. Если он будет «смотреть» влево от велосипеда, устройство может неправильно выполнять свои функции при движении.
Крепить контактный разъем следует надежно. Дропауты должны обладать достаточной степенью параллельности. Иначе возникает деформация оси генератора, и появится шум благодаря излишнему трению внутри динамки.
В отличие от бутылочного варианта при монтировании втулки, колесо приходится разбирать после съема. Понадобится набор укороченных спиц. Как только колесо окажется разобранным, следует укрепить подготовленными спицами обод на динамке.
Далее нужно как можно ровнее, а также равномернее вмонтировать, последовательно натягивая спицы. После окончательного укрепления обода следует выполнить балансировку. Затем проконтролировать на дисбаланс, а также на биение.
Итоги тестирования динамо-втулок и бутылочной динамо-машины.
Вырабатываемый динамо-втулками свет — это надежный источник энергии в большинстве случаев
Дополнительное сопротивление было нами измерено и несомненно его важность переоценена. Оно имеет самое большое значение (в процентном отношении выходной мощности) на низкой скорости. На высокой скорости и на подъемах дополнительное сопротивление по сравнению с общей мощностью требуемой для движения велосипеда становится незначительным
На высокой скорости и на подъемах дополнительное сопротивление по сравнению с общей мощностью требуемой для движения велосипеда становится незначительным.
Если вы не ограничены в деньгах, то модель динамо-втулки SON28 является лучшим выбором для большинства велосипедистов. Она совмещает высокую эффективность и качественную конструкцию. С 2002 года модели динамо-втулок SON содержат уплотнитель компенсации давления, который препятствует появлению проблем с велосипедом в дождливую холодную погоду. Без специального уплотнителя при охлаждении относительно большой внутренний объем воздуха динамо-втулки сжимается и тем самым способствует проникновению влаги.
Динамо-втулка Shimano DH-3N71 неплохой выбор, но по сравнению с её предшественницей DH-3N70 у неё немного хуже производительность. Обе модели значительно тяжелее и менее эффективны, чем динамо-втулки SON. Более дешёвая модель DH-3N30 предлагает лучшую производительность, но весит на 200 грамм больше, потому что имеет подшипники и уплотнитель более низкого качества, так что более высокая цена динамо-втулки фирмы Shimano вполне оправдана. Ожидаемый срок службы конусов подшипника в недорогих динамо-втулках фирмы Shimano моделей (HB-NX32, DH-3N30) равен примерно 5000 км. Это говорит, что модель DH-3N30 предлагает удивительно хорошую производительность за свою цену.
Если бы не проблемы проскальзывания в сырую погоду, Lightspin могла бы послужить хорошей альтернативой динамо-втулкам. Её небольшой вес (даже включая вес крепления на передней втулке) и отсутствие сопротивления в дневное время привлекают велосипедистов, редко совершающих поездки в тёмное время суток. Когда включается свет на велосипеде, то сопротивление Lightspin возрастает до значения, превышающее значение у модели SON28 и современных динамо-втулок фирмы Shimano. Сложно добиться и поддерживать правильное крепление бутылочных генераторов, так что при её эксплуатации сопротивление может очень сильно варьировать.
Для велосипедистов, участвующих в различного рода соревнованиях, использование модели SON20 или удивительно легкой SON-XS с ободом больших размеров уменьшает сопротивление как в дневное, так и в ночное время. Особенно на скоростях от 25 до 35 км/ч. К их недостаткам можно отнести уменьшение светового потока на низкой скорости.
| Скорость | Полная мощность, развиваемая велосипедистом | Стандартная герметичная передняя втулка | SON28 (свет выключен) | Снижение скорости (свет выключен) | SON28 (свет включен) | Снижение скорости (свет включен) |
|---|---|---|---|---|---|---|
| 10 км/час | 15 Вт | 0,1 Вт | +0,2 Вт (+1,3%) | -0,1 км/час | +3,3 Вт (+22%) | -1,6 км/час |
| 20 км/час | 50 Вт | 0,2 Вт | +0,7 Вт (+1,4%) | -0,1 км/час | +5,3 Вт (+12%) | -1,1 км/час |
| 30 км/час | 130 Вт | 0,3 Вт | +1,3 Вт (+1,0%) | -0,1 км/час | +6,7 Вт (+5,2%) | -0,7 км/час |
| 50 км/час | 500 Вт | 0,5 Вт | +2,7 Вт (+0,5%) | -0,1 км/час | +9,0 Вт (+1,8%) | -0,36 км/час |
Насколько сложнее крутить педали на велосипеде с динамо-втулкой? В сравнении с велосипедом без динамо-втулки, таблица показывает требуемую дополнительную мощность поддержания той же скорости, а также снижение скорости при той же мощности — на ровной дороге. Только включение ночного сопротивления (свет включён) на низкой и средней скоростях замедлит велосипедиста значительно. На высоких скоростях, добавленное сопротивление (свет включен) менее значимо. На подъёмах, сопротивление динамо-втулки в процентном отношении от общего сопротивления даже меньше. Например, подъём на 5% склон на 10 км/час требует около 140 Вт. В этом случае 3,3 Вт потребляемые SON28 (свет включен) замедляет велосипедиста всего на 0,2 км/час.

















































